![]() ![]() | projekt niskobudżetowy - modernizacja |

- uzyskanie maksymalnej poprawy jakości nagłośnienia przy minimalnych kosztach
- dokładne uwzględnianie życzeń użytkownika
- wynikiem ma być system maksymalnie prosty w obsłudze.
- mikrofony: dynamiczny umieszczony na mównicy, pojemnościowy płaszczyznowy na ołtarzu, dynamiczny bezprzewodowy;
- układ antysprzężeniowy;
- wzmacniaczo-mikser typ SPM-200 stereo;
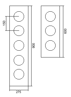
- zespoły głośnikowe – rozmieszczenie i wygląd jak na rysunkach poniżej. Mniejszy
zespół umieszczony jest jedynie przy wejściu wewnątrz kościoła. W trakcie pracy występowały następujące problemy: a) Przekonfigurowanie zespołu głośników Przeprowadzone
w kościele doświadczenia pozwoliły na określenie, jako krytycznego dla sprzężeń,
głośnika zaznaczonego na Rys. 1 na czerwono. Głośnik ten służył do nagłośnienia
obszaru za ołtarzem w którym występowała zbyt niska głośność. Nasze
rozwiązanie polegało na tym, aby zamiast tego pojedynczego głośnika
zastosować dwa umieszczone w minimalnej odległości od znajdujących się tam
foteli i obciążyć je minimalną mocą. Przekonfigurowany został także
system połączeń. Propozycja ta, wraz z projektem okablowania, przedstawiona
jest na poniższym rysunku. Ponadto przewidziany został dodatkowy głośnik do
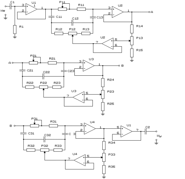
odsłuchu w zakrystii. b) Zmiana układu antysprzężeniowego Przyjęte
jako bardzo ważne kryterium cenowe uniemożliwia zastosowanie w tym projekcie
cyfrowego układu antysprzężeniowego. Wobec tego jedynym możliwym rozwiązaniem
staje się zastosowanie kaskady filtrów zerowych wycinających ze spektrum
bardzo wąskie pasma. Przeprowadzone pomiary pozwoliły stwierdzić, że przybliżone
częstotliwości na których najsilniej powstają sprzężenia to: 700 Hz, 2500
Hz, 15 kHz. Proponowane rozwiązanie, wraz z charakterystykami umieszczone są
na poniższych rysunkach. Wszystkie filtry są przestrajane w zakresach
odpowiednio : 550¸860
Hz, 2¸3
kHz, 12,2¸18,9
kHz, tak, aby jak najskuteczniej zapobiegały sprzężeniom. Regulacji podlega
także tłumienie filtru (ustawianie maksimum), oraz jego dobroć (ustawianie
minimalnego pasma potrzebnego do eliminacji tłumienia). Potencjometry które
odpowiadają za te regulacje to, w kolejności omawiania, Px2, Px1, Px3
(x=1,2,3). R1
– 100 kW
5%, R11,
R21, R31 – 121 kW 1%, R12,
R22, R32 – 17,8 kW 1%, R13,
R23, R33 – 1,21 kW 1%, R14
– 300 W
5%, R15,
R25, R35 – 30 kW 5%, R24
– 510 W
5%, R34
– 1,5 kW
5%, P11
,P21 ,P31 – 10 kW wieloobrotowy, P12
,P22 ,P32 – 2 kW wieloobrotowy, P13
,P21 ,P33 – 2.2 kW , C1,C2 – 100nF 5%, C11 ,C12 ,C13 – 22nF 2%, C21 ,C22 ,C23 – 6,2nF 2%, C31 ,C32 ,C33 – 1nF 2%, U1
¸
U4 - TL 082 Charakterystyka
powyższa jest przebiegiem teoretycznym uzyskanym dla środkowych położeń
wszystkich potencjometrów.
Rys. 1 Rozmieszczenie głośników i mikrofonów
Rys.2 Zespoły głośnikowe
2. Działanie układu nagłośnieniowego
3. Proponowane rozwiązania.

Rys. 3 Projekt nagłośnienia
Rys. 4 Schemat filtru
Rys. 5 Charakterystyka częstotliwościowa